
Mainstream Access line, ARM Cortex-M3 MCU with 128 Kbytes Flash, 36 MHz CPU
The STM32F101VBT6 is a medium-density access line STM32 F1 series 32-bit Microcontroller. It incorporates the high-performance ARM Cortex-M3 RISC core operating at a 36MHz frequency, high speed embedded memories (Flash memory up to 128kB and SRAM up to 16KB), and an extensive range of enhanced peripherals and I/Os connected to two APB buses. This device offers one 12-bit ADCs, three general-purpose 16-bit timers plus one PWM timer, as well as standard communication interfaces - up to two I²Cs, two SPIs, and three USARTs.



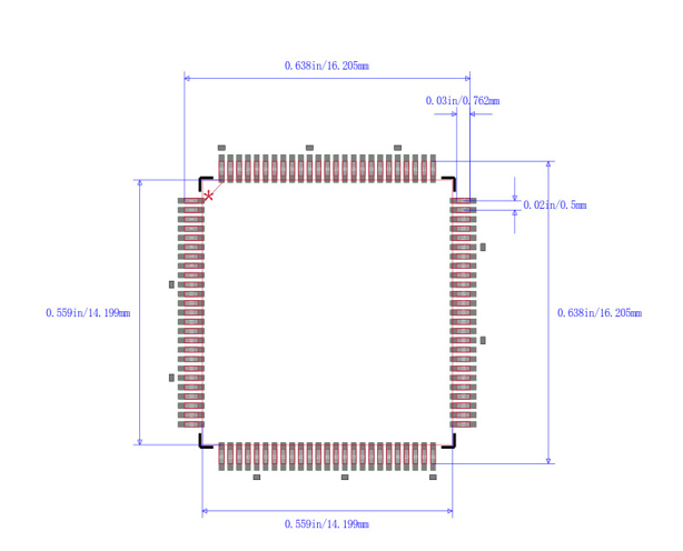
Footprint
3D Model